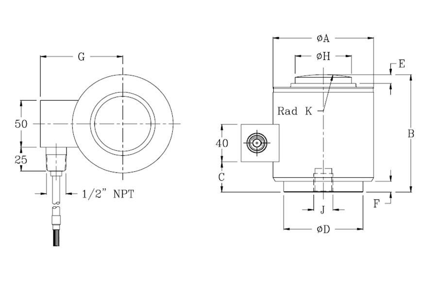
量程:10/25/40/60/100/200t
本体材质:不锈钢激光焊接
综合精度:0.03%
电缆长度:10m
|
Cap(t) |
ΦA |
B |
C |
ΦD |
E |
F |
G |
ΦH |
K |
J |
|
10,25 |
73 |
82.5 |
12 |
58 |
6.5 |
1.8 |
64 |
31.8 |
152 |
M12 |
|
40,60 |
105 |
127 |
34 |
82.5 |
8 |
11 |
87 |
58.7 |
152 |
M20 |
|
100 |
152.4 |
184 |
72 |
123.8 |
23.6 |
21.8 |
108 |
79.2 |
432 |
M20 |
|
200 |
167.6 |
228.6 |
92 |
136.3 |
10.9 |
25.4 |
123 |
93.7 |
432 |
M20 |
|
参数 |
Specifications |
技术指标/Technique |
|
额定容量 |
Capacity |
10,25, 40, 60, 100, 200t |
|
精度等级 |
Accuracy class |
C3 |
|
输出灵敏度 |
Rated output |
2.0±0.1%mV/V |
|
零点输出 |
Zero balance |
±2%F.S. |
|
非线性 |
Non-linearity |
0.025%F.S. |
|
滞后 |
Hysteresis |
0.02%F.S. |
|
重复性 |
Repeatability |
0.02%F.S. |
|
蠕变(30min) |
Creep(30min) |
0.018%F.S. |
|
温度灵敏度漂移 |
Temp.effect on output |
0.014%F.S./10℃ |
|
零点温度漂移 |
Temp.effect on zero |
0.0125%F.S./10℃ |
|
输入电阻 |
Input impedance |
450±10Ω |
|
输出电阻 |
Output impedance |
480±10Ω |
|
绝缘电阻 |
Insulation |
≥5000MΩ/100VDC |
|
激励电压 |
Recommended excitation |
5~15V |
|
工作温度范围 |
Operation temp range |
-30~70℃ |
|
安全超载 |
Safe overload |
150%F.S. |
|
电缆线尺寸 |
Cable size |
Φ7.5×10m |
|
防护等级 |
IP Class |
IP68 |


