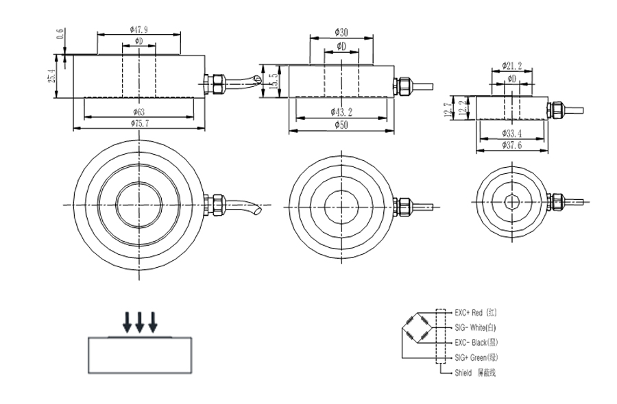
TK142中空传感器
量程:1~200kN
本体材质:不锈钢
综合精度:0.2%
电缆长度:4m
|
Cap(kN) |
10,20,30,50,100,200 |
|
ФD(mm) |
7,9,11,13,15,17,19,21,25,32 |
|
Cap(kN) |
5,10,20,30,50 |
|
ФD(mm) |
7,9,11,13,15,16.5 |
|
Cap(kN) |
1,2,5,10,20 |
|
ФD(mm) |
5,6,7,9,11,13,15 |
|
参数 |
Specifications |
技术指标/Technique |
|
额定容量 |
Capacity |
1~200kN |
|
输出灵敏度 |
Rated output |
1.5±10%mV/V |
|
综合精度 |
Combined Error |
0.2%F.S |
|
零点输出 |
Zero balance |
±0.03 mV/V |
|
非线性 |
Non-linearity |
0.1%F.S. |
|
滞后 |
Hysteresis |
0.1%F.S. |
|
重复性 |
Repeatability |
0.05%F.S. |
|
蠕变(30min) |
Creep(30min) |
0.05%F.S. |
|
温度灵敏度漂移 |
Temp.effect on output |
0.05%F.S./10℃ |
|
零点温度漂移 |
Temp.effect on zero |
0.05%F.S./10℃ |
|
输入电阻 |
Input impedance |
780±20Ω |
|
输出电阻 |
Output impedance |
700±10Ω |
|
绝缘电阻 |
Insulation |
≥5000MΩ/100VDC |
|
激励电压 |
Recommended excitation |
5~15V |
|
工作温度范围 |
Operation temp range |
-20~80℃ |
|
安全超载 |
Safe overload |
150%F.S. |
|
电缆线尺寸 |
Cable size |
φ3/φ4×4000mm |
|
材料 |
Material |
Stainless Steel(不锈钢) |
|
防护等级 |
IP Class |
IP67 |




