TK112拉压双向传感器
特点与用途:
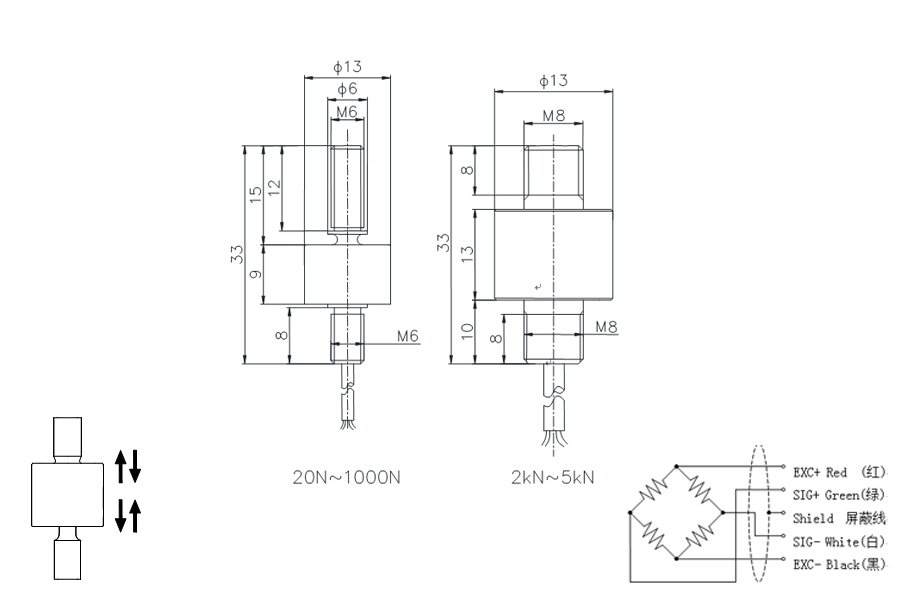
微型传感器,高度低,变形量小
不锈钢材料
拉压双向
主要用于汽车压装、自动化组装、3C产品测试、新能源产品组装、医疗检测、机器人领域,模具组装及其他工业测试、测量及控制系统
动态响应频率高
|
参数 |
Specifications |
技术指标/Technique |
|
额定容量 |
Capacity |
20,50,100,150,200,300,500N 1,2 ,3,4,5kN |
|
输出灵敏度 |
Rated output |
1.0±20%mV/V |
|
零点输出 |
Zero balance |
±0.05 mV/V |
|
非线性 |
Non-linearity |
0.5%F.S. |
|
滞后 |
Hysteresis |
0.2%F.S. |
|
重复性 |
Repeatability |
0.2%F.S. |
|
蠕变(30min) |
Creep(30min) |
0.1%F.S. |
|
温度灵敏度漂移 |
Temp.effect on output |
0.05%F.S./10℃ |
|
零点温度漂移 |
Temp.effect on zero |
0.05%F.S./10℃ |
|
输入电阻 |
Input impedance |
800~1100Ω |
|
输出电阻 |
Output impedance |
800~1100Ω |
|
绝缘电阻 |
Insulation |
≥5000MΩ/100VDC |
|
激励电压 |
Recommended excitation |
5~10V |
|
^大激励电压 |
Maximum excitation |
15V |
|
温度补偿范围 |
Compensated temp range |
-10~60℃ |
|
工作温度范围 |
Operation temp range |
-20~80℃ |
|
安全超载 |
Safe overload |
150%F.S. |
|
极限超载 |
Ultimate overload |
200%F.S. |
|
电缆线尺寸 |
Cable size |
φ2×4000mm/φ3×4000mm |
|
单件重量 |
Weight approx. |
0.1kg |
|
材料 |
Material |
Stainless Steel(不锈钢) |
|
防护等级 |
IP Class |
IP66 |



