量程:100/200/250/300/400/500/600/800t
本体材质:优质合金钢镀镍
综合精度:0.1%
电缆长度:10m
|
Cap(t) |
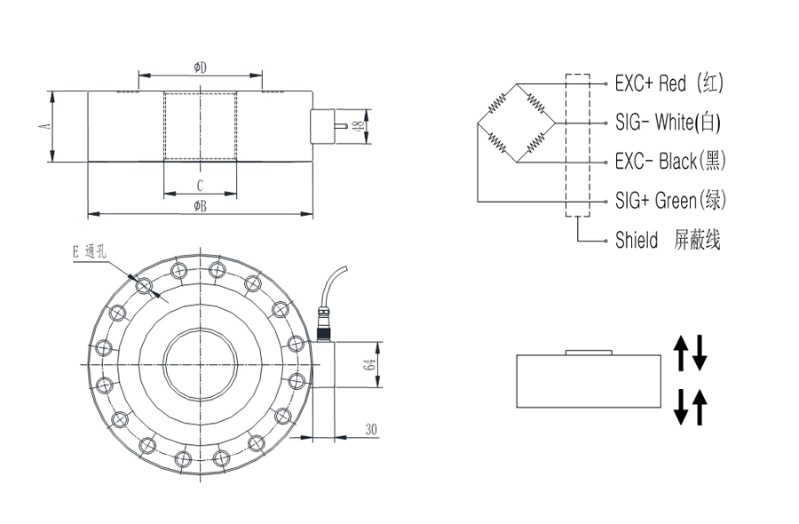
A |
B |
C |
D |
E |
|
100 |
68 |
268 |
M72×2 |
122 |
16-17 |
|
200,250 |
100 |
310 |
M100×4 |
170 |
16-19 |
|
300 |
120 |
390 |
M120×4 |
200 |
20-21 |
|
400,500 |
142 |
480 |
M160×4 |
260 |
20-26 |
|
600,800 |
148 |
540 |
M200×4 |
310 |
20-32 |
|
参数 |
Specifications |
技术指标/Technique |
|
额定容量 |
Capacity |
100,200,250,300,400,500 600,800t |
|
输出灵敏度 |
Rated output |
2.0±1%mV/V |
|
综合精度 |
Combined Error |
0.1%F.S |
|
零点输出 |
Zero balance |
±1% F.S. |
|
非线性 |
Non-linearity |
0.1%F.S. |
|
滞后 |
Hysteresis |
0.1%F.S. |
|
重复性 |
Repeatability |
0.1%F.S. |
|
蠕变(30min) |
Creep(30min) |
0.05%F.S. |
|
温度灵敏度漂移 |
Temp.effect on output |
0.05%F.S./10℃ |
|
零点温度漂移 |
Temp.effect on zero |
0.05%F.S./10℃ |
|
输入电阻 |
Input impedance |
780±20Ω |
|
输出电阻 |
Output impedance |
700±10Ω |
|
绝缘电阻 |
Insulation |
≥5000MΩ/100VDC |
|
激励电压 |
Recommended excitation |
5~15V |
|
工作温度范围 |
Operation temp range |
-10~70℃ |
|
安全超载 |
Safe overload |
150%F.S. |
|
电缆线尺寸 |
Cable size |
φ5×6000mm |
|
防护等级 |
IP Class |
IP66 |



