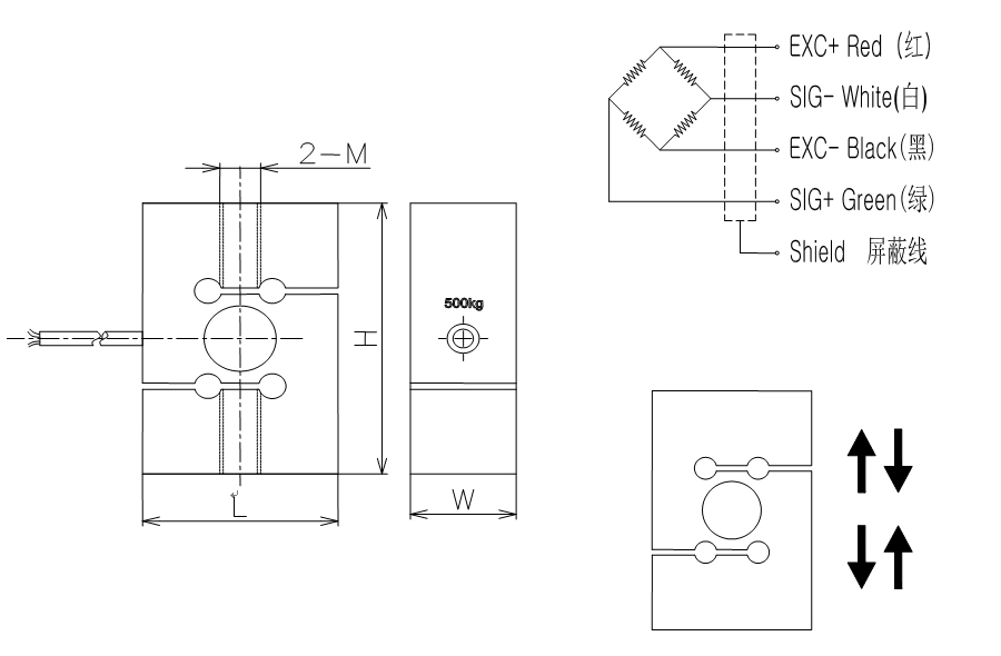
TK117S型传感器
量程:50/100/200/500kg/1/2/3/5t
本体材质:不锈钢
综合精度:0.02%
电缆长度:3m
|
Cap(kg) |
L |
H |
W |
M |
|
50 |
50.8 |
63.5 |
25.4 |
M8 |
|
100,200 |
50.8 |
76.2 |
25.4 |
M12 |
|
500 |
57.2 |
87.3 |
31 |
M12 |
|
1000 |
57.2 |
87.3 |
31 |
M12 |
|
2000 |
69.8 |
100 |
36.5 |
M24×2 |
|
3000 |
69.8 |
100 |
36.5 |
M24×2 |
|
5000 |
76.2 |
114.3 |
36.5 |
M24×2 |
|
参数 |
Specifications |
技术指标/Technique |
|
额定容量 |
Capacity |
50,100,200,500,1000,2000, 3000,5000kg |
|
输出灵敏度 |
Rated output |
2.0±0.3%mV/V |
|
零点输出 |
Zero balance |
0.01mV/V |
|
非线性 |
Non-linearity |
0.018%F.S. |
|
滞后 |
Hysteresis |
±0.018% F.S. |
|
重复性 |
Repeatability |
0.018%F.S. |
|
蠕变(30min) |
Creep(30min) |
0.024%F.S. |
|
温度灵敏度漂移 |
Temp.effect on output |
0.014%F.S./10℃ |
|
零点温度漂移 |
Temp.effect on zero |
0.017%F.S./10℃ |
|
输入电阻 |
Input impedance |
380±20Ω |
|
输出电阻 |
Output impedance |
350±10Ω |
|
绝缘电阻 |
Insulation |
≥5000MΩ/100VDC |
|
激励电压 |
Recommended excitation |
5~12V |
|
工作温度范围 |
Operation temp range |
-30~70℃ |
|
安全超载 |
Safe overload |
150%F.S. |
|
电缆线尺寸 |
Cable size |
Φ5.4×3000mm |
|
材料 |
Material |
Stainless Steel(不锈钢) |
|
防护等级 |
IP Class |
IP68 |


