量程:10/20/30/50/60/100/200/300/400/500/600t
本体材质:优质合金钢镀镍
综合精度:0.1%
电缆长度:10m
|
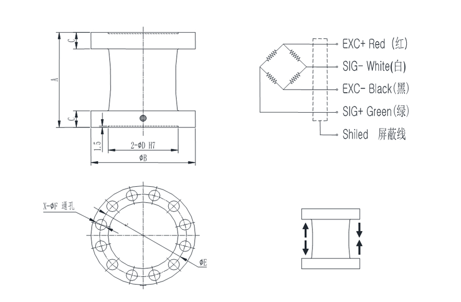
Cap(t) |
A |
B |
C |
D |
E |
X-∅F |
|
10,20,30 |
112 |
130 |
22 |
91 |
112 |
12-∅11 |
|
50,60 |
160 |
197 |
25 |
128 |
160 |
12-∅22 |
|
100 |
230 |
240 |
40 |
161 |
200 |
12-∅26 |
|
200,300 |
326 |
305 |
57.5 |
192 |
250 |
12-∅33 |
|
400,500 |
358 |
415 |
69 |
301 |
360 |
18-∅33 |
|
600,800 |
580 |
570 |
130 |
385 |
512 |
20-∅39 |
|
参数 |
Specifications |
技术指标/Technique |
|
额定容量 |
Capacity |
10,20,30,50,60,100,200 300,400,500,600t |
|
输出灵敏度 |
Rated output |
1.5±1%mV/V |
|
综合精度 |
Combined Error |
0.1%F.S |
|
零点输出 |
Zero balance |
±1% F.S. |
|
非线性 |
Non-linearity |
0.1%F.S. |
|
滞后 |
Hysteresis |
0.1%F.S. |
|
重复性 |
Repeatability |
0.05%F.S. |
|
蠕变(30min) |
Creep(30min) |
0.05%F.S. |
|
温度灵敏度漂移 |
Temp.effect on output |
0.05%F.S./10℃ |
|
零点温度漂移 |
Temp.effect on zero |
0.05%F.S./10℃ |
|
输入电阻 |
Input impedance |
780±20Ω |
|
输出电阻 |
Output impedance |
700±10Ω |
|
绝缘电阻 |
Insulation |
≥5000MΩ/100VDC |
|
激励电压 |
Recommended excitation |
5~15V |
|
工作温度范围 |
Operation temp range |
-10~70℃ |
|
安全超载 |
Safe overload |
150%F.S. |
|
电缆线尺寸 |
Cable size |
φ5×6000mm |
|
防护等级 |
IP Class |
IP66 |



