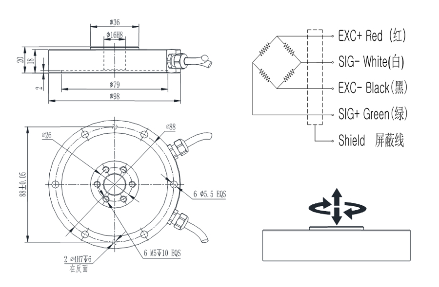
TK165拉压扭复合力传感器
量程:
F: 20/30/50/100/200/500/1000/2000N
M: 1/ 2/ 3/ 5/ 10/ 20/30 /50N.m
本体材质:铝合金/不锈钢
综合精度:0.1%
电缆长度:4m
|
参数 |
Specifications |
技术指标/Technique |
|
额定容量 |
Capacity |
F: 20/30/50/100/200/500/1000/2000N M: 1/ 2/ 3/ 5/ 10/ 20/ 30/50N.m |
|
输出灵敏度 |
Rated output |
1.0±20%mV/V |
|
综合精度 |
Combined Error |
0.5%F.S |
|
零点输出 |
Zero balance |
±0. 5mV/V |
|
非线性 |
Non-linearity |
0.5%F.S. |
|
滞后 |
Hysteresis |
0.5%F.S. |
|
重复性 |
Repeatability |
0.5%F.S. |
|
蠕变(30min) |
Creep(30min) |
0.2%F.S. |
|
温度灵敏度漂移 |
Temp.effect on output |
0.2%F.S./10℃ |
|
零点温度漂移 |
Temp.effect on zero |
0.2%F.S./10℃ |
|
输入电阻 |
Input impedance |
~1000Ω |
|
输出电阻 |
Output impedance |
~1000Ω |
|
绝缘电阻 |
Insulation |
≥5000MΩ/100VDC |
|
激励电压 |
Recommended excitation |
5~12V |
|
工作温度范围 |
Operation temp range |
-20~80℃ |
|
安全超载 |
Safe overload |
150%F.S. |
|
电缆线尺寸 |
Cable size |
φ3×4000mm |
|
防护等级 |
IP Class |
IP65 |


