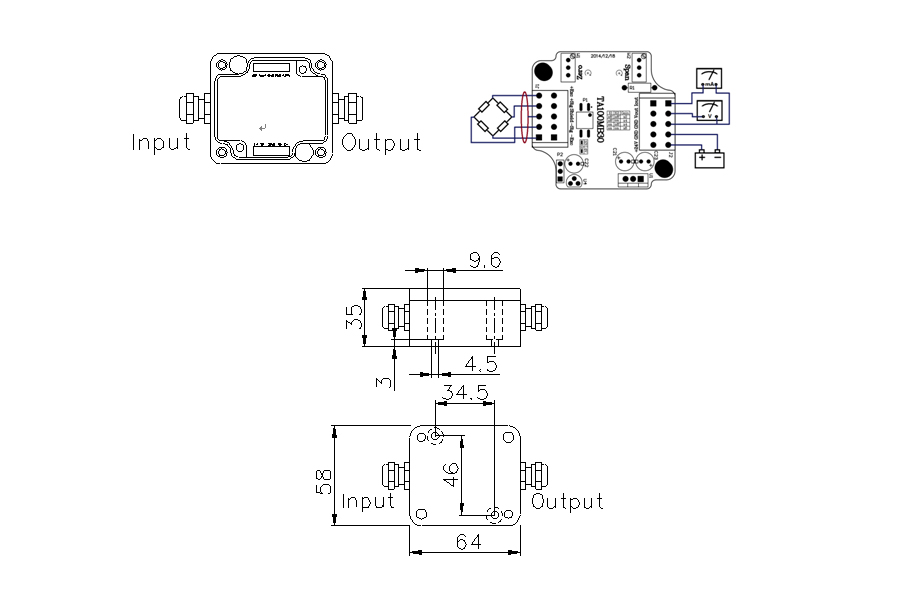
TK603信号变送器
TK603信号变送器产品特点:
1、防水接头出线;
2、补偿调节采用高稳定性的多圈电位器;
3、盖板有防水橡胶垫圈,防水,防尘,适用于环境条件恶劣的工业现场;
4、防止感应雷和浪涌信号对传感器的损坏;
5、防护等级IP66;
6、综合精度:0.1%
|
参数 |
技术规格与性能 |
|
外壳 |
铝合金防水外壳 |
|
外形尺寸 |
64mm×58mm×35mm |
|
使用环境 |
温度:-10°~40℃(14°~104°F) ; 相对湿度:10%~95%,不冷凝 |
|
防护等级 |
IP66 |
|
供电电源 |
9~26VDC,功率<0.5W |
|
可接受灵敏度 |
0.3mV/V~8 mV/V |
|
输出线性 |
0.05%F.S |
|
综合精度 |
0.1%F.S |
|
输出波纹度 |
≤2mVp-p |
|
信号滤波 |
≤1000Hz |
|
适用传感器类型 |
电阻应变式传感器 |
|
传感器数量 |
1~2只350欧姆的传感器 |
|
传感器激励电压 |
5VDC |
|
输出负载 |
≤500欧姆(输出负载电阻) |
|
模拟量输出口 |
0~10V/ -10V~+10V 4~20mA / 0~20mA |




