名称:
TK321高精度悬臂式称重测力传感器
概述:TK321是一款高精度悬臂式称重测力传感器,精度高、安装方便,用于电子平台秤、力学试验机、电子称重平台、料罐反应釜称重系统等,是平台秤应用比较多的传感器结构。
产品详情
量程:200kg/500kg/1t/2t/3t/5t/10t
本体材质:合金钢镀镍
综合精度:0.025%
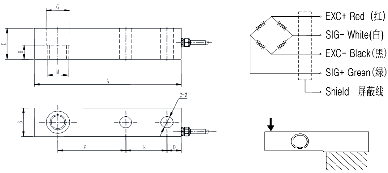
电缆长度:3m
安装尺寸及加载方式:

上一条:没有了


