TK322不锈钢高精度称重测力传感器
量程:220kg/550kg/1.1t/2.2t/4.4t
本体材质:不锈钢激光焊接密封
综合精度:0.02%
电缆长度:3m
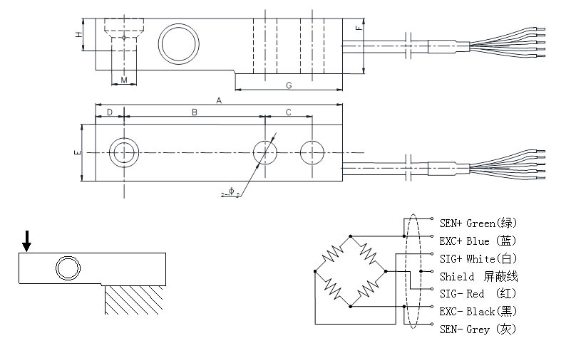
安装尺寸及加载方式:

|
Cap(t) |
A |
B |
C |
D |
E |
F |
G |
H |
J |
M |
|
0.22~1.76 |
133.4 |
76.2 |
25.4 |
15.4 |
30.7 |
30.2 |
57.7 |
14.2 |
13 |
Φ15.9 |
|
2.2 |
136.6 |
76.2 |
25.4 |
18.4 |
36.8 |
36.6 |
57.9 |
17 |
13 |
Φ15.9 |
|
4.4 |
171.5 |
95.2 |
38.1 |
21.5 |
42.9 |
42.9 |
73.8 |
20.1 |
19 |
Φ22.2 |
|
参数 |
Specifications |
技术指标/Technique |
|
额定容量 |
Capacity |
0.22,0.55,1.1,2.2,4.4t |
|
精度等级 |
Accuracy class |
C3 |
|
输出灵敏度 |
Rated output |
1.94±0.1%mV/V |
|
零点输出 |
Zero balance |
±2%F.S. |
|
非线性 |
Non-linearity |
0.017%F.S. |
|
滞后 |
Hysteresis |
0.017%F.S. |
|
重复性 |
Repeatability |
0.017%F.S. |
|
蠕变(30min) |
Creep(30min) |
0.0166%F.S. |
|
温度灵敏度漂移 |
Temp.effect on output |
0.014%F.S./10℃ |
|
零点温度漂移 |
Temp.effect on zero |
0.0125%F.S./10℃ |
|
输入电阻 |
Input impedance |
390±10Ω |
|
输出电阻 |
Output impedance |
350±5Ω |
|
绝缘电阻 |
Insulation |
≥5000MΩ/100VDC |
|
激励电压 |
Recommended excitation |
5~15V |
|
工作温度范围 |
Operation temp range |
-30~70℃ |
|
安全超载 |
Safe overload |
150%F.S. |
|
电缆线尺寸 |
Cable size |
Φ5.4×4000mm |
|
材料 |
Material |
Stainless Steel(不锈钢) |
|
防护等级 |
IP Class |
IP68 |



